10 Contoh Soal Jangka Sorong dan Mikrometer Sekrup, Lengkap dengan Jawabannya
JAKARTA, iNews.id - Contoh soal jangka sorong dan mikrometer sekrup jadi hal yang dibutuhkan oleh siswa agar lebih memahami materi tersebut.
Jangka sorong dan mikrometer sekrup adalah dua alat yang digunakan oleh banyak orang dalam pengukuran. Kedua alat ini juga dipergunakan dalam hitung-hitungan di Fisika.
Mengutip buku Rangkuman Fisika SMP karya Suartini (2010), jangka sorong merupakan alat pengukur yang terdiri dari dua rahang yang dapat bergerak. Saat rahang ini menjepit objek, penggunanya dapat membaca hasil pengukuran dari angka yang ada.
Sedangkan, mikrometer sekrup atau lebih dikenal dengan nama micrometer screw gauge. Alat satu ini bekerja dengan cara mengukur perubahan jarak antara dua rahang. Salah satu rahangnya dapat bergerak maju atau mundur dengan bantuan sekrup.
Agar lebih paham mengenai cara kerja dan perhitungan kedua alat ukur tersebut, berikut contoh soal jangka sorong dan mikrometer sekrup yang dilansir dari berbagai sumber, Rabu (4/9/2024).
Contoh Soal Jangka Sorong dan Mikrometer Sekrup
1. Fungsi skala thimble pada mikrometer adalah...
a. Menunjukkan nilai angka desimal hasil pengukuran
b. Berputar mengikuti gerakan dari proses pengukuran
c. Menunjukkan nilai angka nominal hasil pengukuran
d. Mengatur tekanan pada benda kerja
Jawaban: b
2. Jika satu putaran penuh sekrup mikrometer sekrup setara dengan 0,5 mm, berapa banyak putaran penuh yang harus dilakukan untuk mengukur panjang 2,5 cm?
a. 1 putaran penuh
b. 2 putaran penuh
c. 5 putaran penuh
d. 10 putaran penuh
Jawaban: c
3. Mikrometer sekrup digunakan untuk mengukur objek dengan akurasi tinggi. Jika skala utama pada mikrometer sekrup berada pada 5 mm dan skala nonius berada pada 0,03 mm, berapa hasil pengukuran keseluruhan?
a. 5,3 mm
b. 5,03 mm
c. 0,53 mm
d. 5,003 mm
Jawaban: b
4. Jika skala utama jangka sorong berada pada 4 cm dan skala nonius berada pada 0,2 mm, berapa hasil pengukuran keseluruhan?
a. 4,2 mm
b. 4,02 cm
c. 4,2 cm
d. 4,02 mm
Jawaban: b
5. Jika ingin mengukur kedalaman suatu lubang dengan jangka sorong, bagian mana dari alat yang akan digunakan?
a. Rahang atas
b. Rahang bawah
c. Skala utama
d. Skala nonius
Jawaban: b
6. Penggunaan jangka sorong yang paling tepat berdasarkan nilai ketelitiannya adalah ...
a. Jarak main bebas pedal rem
b. Diameter luar piston
c. Ketebalan kanvas kopling
d. Diameter dalam blok silinder
Jawaban: d
7. Jangka sorong digunakan untuk mengukur panjang sebuah batang dengan tepi yang tidak rata. Di mana harus menempatkan rahang atas jangka sorong untuk mengukur dengan akurasi yang terbaik?
a. Di tengah batang
b. Di tepi yang paling rata
c. Di tepi yang paling tajam
d. Di mana saja, tidak penting
Jawaban: b
8. Skala utama bagian atas garis horizontal = 4 mm Skala utama bagian bawah garis horizontal = 0,5 mm Skala nonius = 0,46 mm Maka hasil pengukuran dengan mikrometer tersebut adalah:
Pembahasan: 4 + 0,5 + 0,46 = 4,96 mm
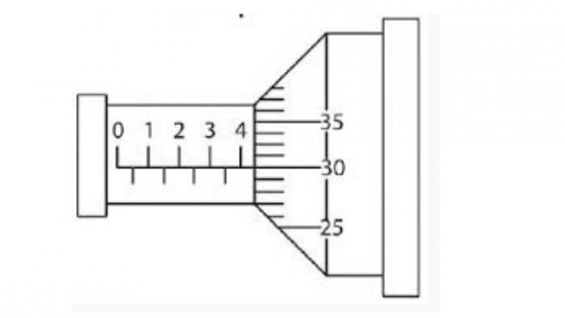
9. Jika pada suatu pengukuran didapatkan gambar skala utama ataupun skala nonius dibawah ini, berapa panjang dari benda yang akan diukur?
Jawaban:
Skala utama = 4mm Skala nonius = 0,30mm Maka, hasil dari pengukuran diatas adalah: Skala utama ditambah skala nonius = 4 +0,3 = 4,30mm
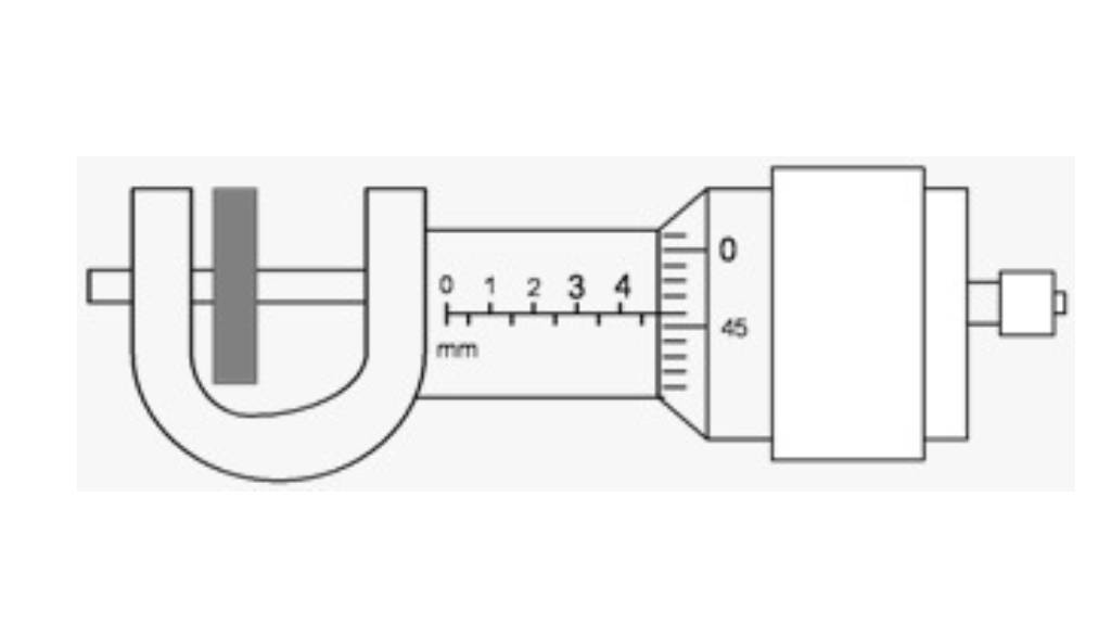
10. Hitunglah ketebalan kawat tembaga yang diukur dengan mikrometer sekrup dibawah ini.
Jawaban:
Skala utama = 1,5mm Skala nonius = 0,30mm
Itulah ulasan mengenai contoh soal jangka sorong dan mikrometer sekrup. Semoga bermanfaat!










